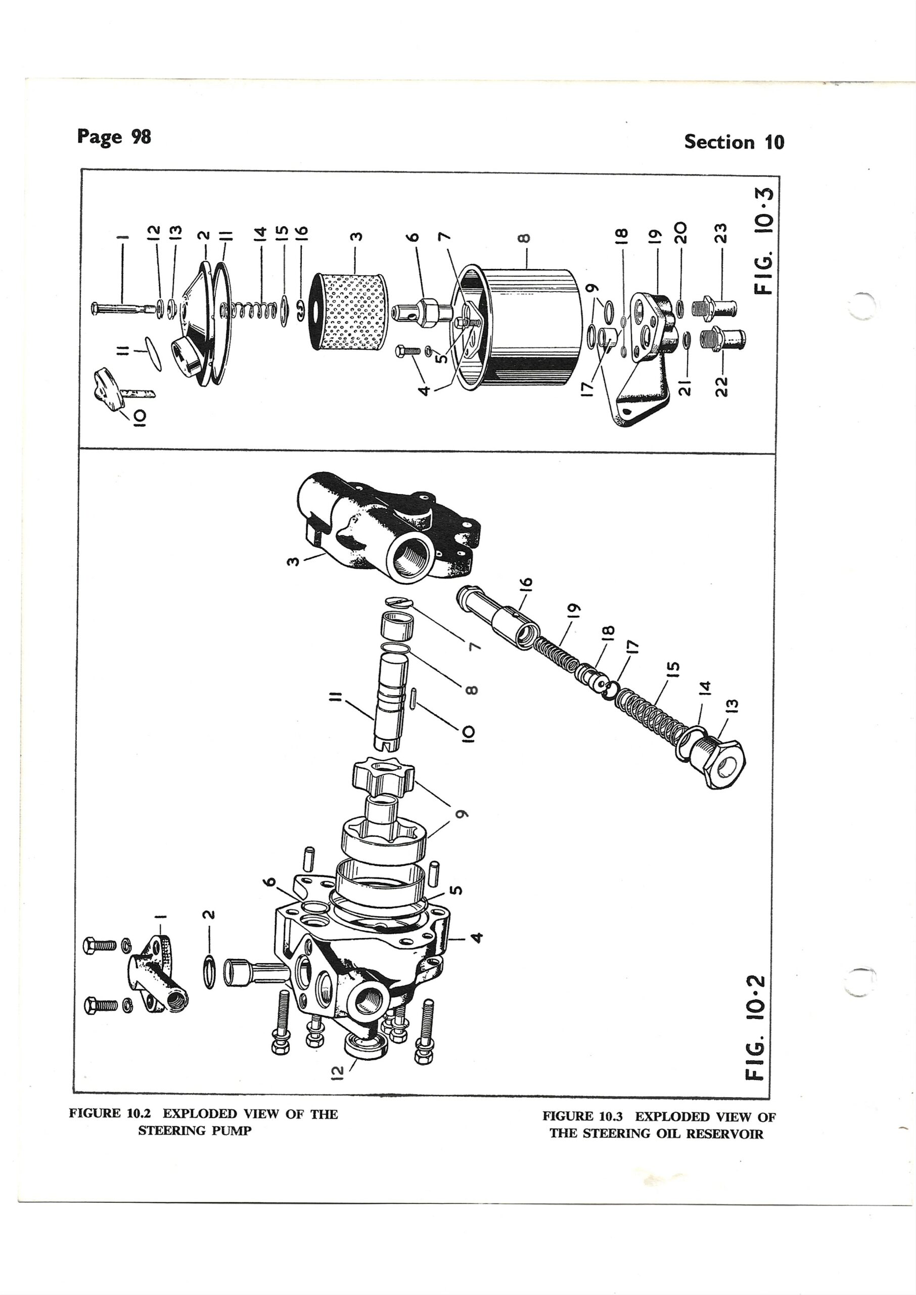
Armstrong Siddeley Sapphire Star Technical Pages Copies of pages from the workshop manual and other useful information to assist in the restoration Engine Group Cylinder head Rocker shafts Timing chain 1 Timing chain 2 Oil pump Oil filter and pressure relief valve Carburetter Carburetter Carburetter Carburetter & gearbox controls Brakes Brakes Braking system Rear brakes and vac assembly 1 Rear brakes and vac assembly 2 Steering Steering box 1 Steering box 2 Power steering pump Steering Technical Service Data and Specifications Left side with notes Pages from the parts book Oil Filter Cross Reference Charts Oil filter page 1Oil filter page 2Oil filter page 3Oil filter page 4oil filter page 5